
Ekstremofile to organizmy, które potrafią żyć i rozmnażać się w warunkach uznawanych przez człowieka – i większość znanych form życia – za skrajnie nieprzyjazne lub wręcz zabójcze. Mówimy tu o środowiskach o ekstremalnie wysokiej lub niskiej temperaturze, ogromnym ciśnieniu, bardzo wysokim zasoleniu, silnym promieniowaniu, skrajnym pH albo całkowitym braku tlenu i światła.
Czytaj też: Dziwne organizmy w Yellowstone. Nigdy czegoś takiego nie widzieliśmy
W biologii termin “ekstremofil” odnosi się nie tyle do jednego typu organizmów, ile do całej strategii życia. Większość ekstremofili to mikroorganizmy – bakterie i archeony – ale w tej grupie mieszczą się też glony, grzyby, a nawet zwierzęta. Ich kluczową cechą nie jest sama odporność, lecz aktywność biologiczna: one nie tylko “wytrzymują” ekstremum, ale funkcjonują w nim normalnie, prowadząc metabolizm, dzieląc się i ewoluując. Dzięki nim wiemy dziś, że życie nie ma jednej, uniwersalnej definicji środowiska “sprzyjającego” – zarówno na Ziemi, jak i poza nią. To właśnie one dają nam wskazówkę, jakich form życia powinniśmy szukać na innych planetach.
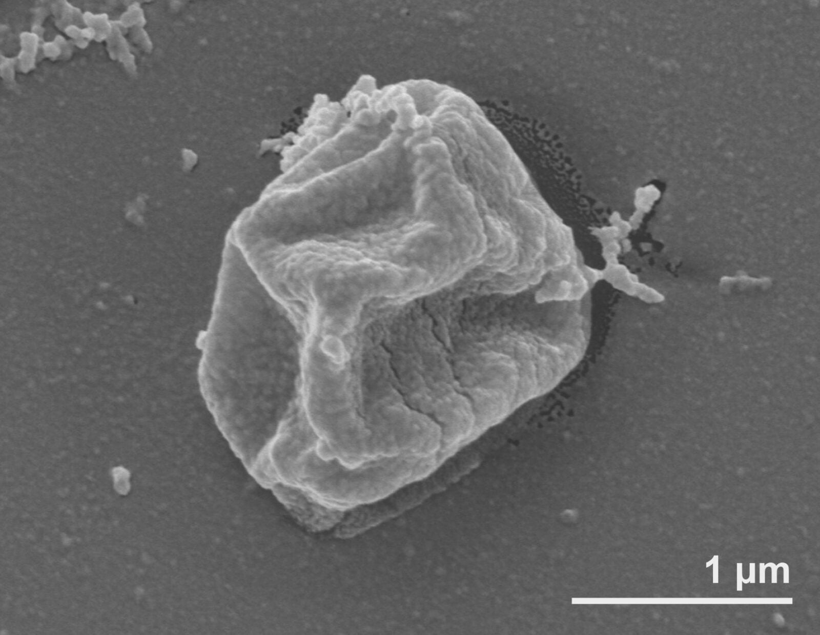
Niesporczaki – życie, które nie chce umrzeć

Niesporczaki, zwane potocznie “niedźwiedziami wodnymi”, są mikroskopijne, ale ich odporność jest legendarna. Potrafią przetrwać temperatury bliskie zera absolutnego, wrzątek, próżnię kosmiczną, promieniowanie jonizujące i lata całkowitego wysuszenia. Gdy warunki stają się nie do zniesienia, przechodzą w stan kryptobiozy – ich metabolizm niemal zanika, a komórki chronione są specjalnymi białkami i cukrami. Po nawodnieniu “wracają do życia”, jakby nic się nie stało. Dla biologów niesporczaki są dowodem, że życie może być znacznie bardziej elastyczne, niż uczono w podręcznikach.
Thermus aquaticus – bakteria, która pokochała wrzątek

Ta bakteria żyje w gorących źródłach, m.in. w Yellowstone, gdzie temperatura wody przekracza 70oC. Dla większości organizmów to warunki niszczące białka i DNA. Thermus aquaticus nie tylko to znosi, ale wręcz tego potrzebuje. Jej enzymy są stabilne w wysokich temperaturach. Jeden z nich – polimeraza Taq – zrewolucjonizował biologię molekularną, umożliwiając rozwój techniki PCR. Dzięki ekstremofilowi z gorącego źródła możemy dziś badać geny, diagnozować choroby i śledzić ewolucję.
Halobacterium – życie w soli

W solankach i słonych jeziorach, gdzie stężenie soli zabija większość form życia, królują halofile. Halobacterium nie tylko toleruje sól – ono jej potrzebuje. Jego komórki są chemicznie dostosowane do środowiska, które dosłownie wysysa wodę z innych organizmów. Co więcej, niektóre z tych mikroorganizmów wykorzystują światło słoneczne w sposób przypominający prymitywną fotosyntezę, używając purpurowych barwników. To sprawia, że całe słone zbiorniki mogą przybierać intensywnie różowe lub czerwone kolory.
Deinococcus radiodurans – mistrz naprawy DNA

Promieniowanie jonizujące rozrywa DNA na kawałki. Dla większości komórek to wyrok śmierci. Deinococcus radiodurans potrafi jednak poskładać swój genom z powrotem, nawet gdy zostanie pocięty na setki fragmentów. Ta bakteria przetrwa dawki promieniowania tysiące razy wyższe niż śmiertelne dla człowieka. Jej zdolności naprawcze bada się dziś m.in. pod kątem oczyszczania skażonych terenów oraz zrozumienia mechanizmów odporności komórek na uszkodzenia DNA.
Pyrolobus fumarii – życie w niemal wrzącym piekle

Pyrolobus fumarii żyje w pobliżu kominów hydrotermalnych na dnie oceanów, gdzie temperatura wody sięga 113oC. To jeden z rekordzistów, jeśli chodzi o tolerancję na ciepło. Nie potrzebuje tlenu, żyje w całkowitej ciemności i czerpie energię z reakcji chemicznych między minerałami a wodą. To przykład życia, które nie ma nic wspólnego z zielonymi roślinami i światłem Słońca – a jednak działa.
Riftia pachyptila – bez ust i żołądka

Ten gigantyczny wieloszczet z rodziny rurkoczułkowców, osiągający ponad dwa metry długości, żyje przy kominach hydrotermalnych. Nie ma ust, jelit ani żołądka. Całe jego odżywianie opiera się na symbiozie z bakteriami żyjącymi w jego wnętrzu. Bakterie te wykorzystują siarkowodór do produkcji związków organicznych, którymi “karmią” tę osobliwą pierścienicę. To ekosystem oparty nie na fotosyntezie, lecz na chemosyntezie – kompletnie niezależny od energii słonecznej.
Glony śnieżne – życie w lodzie

Na lodowcach i polach śnieżnych można spotkać tzw. czerwony śnieg. To zakwit śniegu powodowany przez glony o czerwonej barwie, zdolnych do prowadzenia fotosyntezy w temperaturach bliskich zera i przy silnym promieniowaniu UV. Czerwony kolor nadaje astaksantyna, barwnik karotenoidowy znajdujący się w ciele glonów poza chloroplastami, a służący ochronie przed silnym, szczególnie w górach, na odbijającej światło powierzchni śniegu, promieniowaniem ultrafioletowym. Glony powodujące czerwony śnieg należą do różnych gatunków, np. Chlamydomonas nivalis, Scottiella nivalis, Chlamydomonas sanguinea lub Smithsonimonas abbotii. Ich barwniki nie tylko pochłaniają światło, ale też chronią komórki przed uszkodzeniami. Co ciekawe, te organizmy wpływają na topnienie lodowców, zmniejszając albedo śniegu i przyspieszając pochłanianie ciepła.
Methanopyrus kandleri – archeon z dna Ziemi

Ten mikroorganizm żyje głęboko pod dnem oceanów, pod ogromnym ciśnieniem i w wysokiej temperaturze. Produkuje metan jako produkt metabolizmu, wykorzystując wodór i dwutlenek węgla. Takie organizmy są szczególnie interesujące dla astrobiologów, bo podobne warunki mogą panować pod powierzchnią lodowych księżyców, takich jak Europa czy Enceladus.
Mrówki z Sahary – sprint po rozgrzanym piekle

Sahara w południe to jedno z najbardziej zabójczych miejsc na Ziemi. A jednak mrówki z rodzaju Cataglyphis wychodzą z gniazd właśnie wtedy, gdy inni się chowają. Temperatura podłoża przekracza 60oC. Mrówki te poruszają się błyskawicznie, minimalizując kontakt z gorącym piaskiem, a ich komórki zawierają białka chroniące przed uszkodzeniami cieplnymi. To przykład ekstremizmu nie mikrobiologicznego, lecz zwierzęcego.
Bakterie z reaktorów jądrowych – życie w cieniu atomu

W basenach z odpadami radioaktywnymi odkryto mikroorganizmy, które nie tylko tolerują promieniowanie, ale potrafią funkcjonować w środowisku skażonym metalami ciężkimi i toksynami. Ich istnienie pokazuje, że nawet najbardziej “nienaturalne” środowiska stworzone przez człowieka mogą zostać skolonizowane przez życie. Biologia zawsze znajduje drogę.
Co mówią nam ekstremofile?
Ekstremalne formy życia uczą pokory. Pokazują, że życie nie jest delikatnym wyjątkiem, lecz zjawiskiem zdolnym adaptować się niemal do wszystkiego. Dzięki nim wiemy, że granice biosfery są znacznie szersze, niż sądziliśmy jeszcze kilkadziesiąt lat temu. To właśnie dlatego, gdy patrzymy dziś na Marsa, lodowe księżyce Jowisza czy oceany pod powierzchnią Enceladusa, nie pytamy już: “czy jest tam życie”, ale “jakie” ono może być.